歡迎訪問斯凱恩傳動科技(上海)有限公司網站 !
所屬欄目:KOYO軸承
聯系郵箱:[email protected]
聯系地址:上海市奉賢區金大公路8218號1幢
產品介紹:圓錐滾子軸承主要用于承受以徑向載荷為主的徑向與軸向聯合載荷。與角接觸球軸承相比、承載能力大,極限轉速低。...
咨詢電話:15900864567

圓錐滾子軸承主要用于承受以徑向載荷為主的徑向與軸向聯合載荷。與角接觸球軸承相比、承載能力大,極限轉速低。圓錐滾子軸承能夠承受一個方向的軸向載荷,能夠限制軸或外殼一個方向的軸向位移。
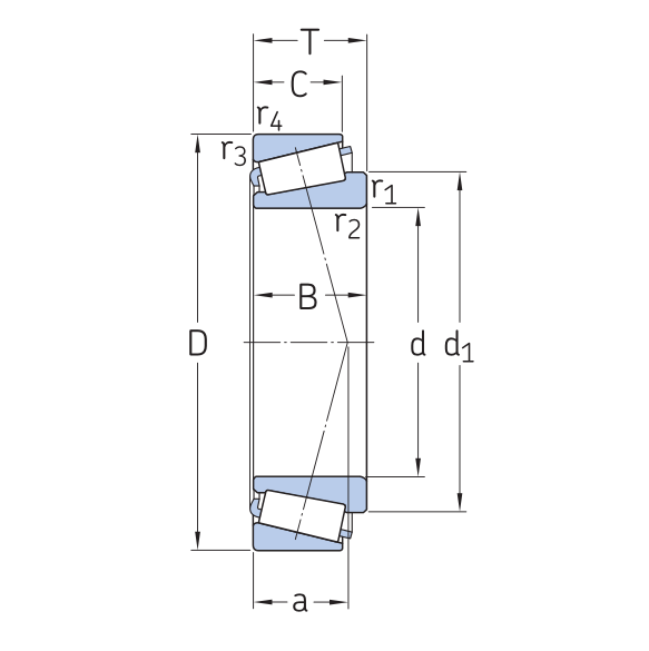
單列圓錐滾子軸承有一個外圈,其內圈和一組錐形滾子由筐形保持架包羅成的一個內圈組件。外圈可以和內圈組件分離,按照ISO圓錐滾子軸承外形尺寸標準的規定,任何一個標準型號的圓錐滾子軸承外圈或內圈組件應能和同型號外圈或內圈組件實現國際性互換。
通常,單列圓錐滾子軸承外圈滾道的圓錐角在10°~19°之間,能夠同時承受軸向載荷和徑向載荷的聯合作用。錐角愈大,承受軸向載荷的能力也愈大。大圓錐角的軸承,后置代號加B,錐角在25°~29°之間,它可承受較大的軸向載荷。另外,單列圓錐滾子軸承可以在安裝過程中調整游隙的大小。
雙列圓錐滾子軸承的外圈(或內圈)是一個整體。兩個內圈(或外圈)小端面相近,中間有隔圈,游隙是靠隔圈的厚薄來調整的, 也可用隔圈的厚薄來調整雙列圓錐滾子軸承的預過盈。