歡迎訪問斯凱恩傳動科技(上海)有限公司網站 !
所屬欄目:NTN軸承
聯系郵箱:[email protected]
聯系地址:上海市奉賢區金大公路8218號1幢
產品介紹:NTN圓錐滾子軸承是指滾動體為圓錐滾子的徑向推力式滾動軸承。有小錐角和大錐角兩種。小錐角主要承受以徑向載荷為主的徑向和軸向聯合載荷,常成雙使用,反向安裝,內外座圈可分別安裝,在安裝使用中可調整徑向和軸向游隙;大錐角主要承受以軸向載荷為主的軸向和徑向聯合載荷,一般不單獨用來承受純軸向載荷,當成對配置(...
咨詢電話:15900864567

NTN圓錐滾子軸承是指滾動體為圓錐滾子的徑向推力式滾動軸承。有小錐角和大錐角兩種。小錐角主要承受以徑向載荷為主的徑向和軸向聯合載荷,常成雙使用,反向安裝,內外座圈可分別安裝,在安裝使用中可調整徑向和軸向游隙;大錐角主要承受以軸向載荷為主的軸向和徑向聯合載荷,一般不單獨用來承受純軸向載荷,當成對配置(同名端相對安裝)時可用以承受純徑向載荷。
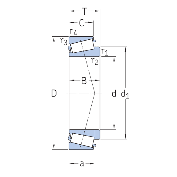
定義
單列圓錐滾子軸承承受軸向負荷的能力取決于接觸角,即外圈滾道角度,角度越大,軸向負荷能力也越大。圓錐滾子軸承中用量多的是單列圓錐滾子軸承。在轎車的前輪輪轂中,用上了小尺寸的雙列圓錐滾子軸承。四列圓錐滾子軸承用在大型冷、熱軋機等重型機器中。
結構特點
圓錐滾子軸承的類型代號為30000,圓錐滾子軸承為分離型軸承。一般情況下,尤其是在GB/T307.1-94《滾動軸承 向心軸承公差》中所涉及到的尺寸范圍內的圓錐滾子軸承外圈與內組件之間是百分之百可以通用互換使用的。
外圈的角度以及外滾道直徑尺寸已與外形尺寸相同被標準化規定了。不允許在設計制造時更改。以致使圓錐滾子軸承的外圈與內組件之間可在世界范圍內通用互換。
圓錐滾子軸承主要用于承受以徑向載荷為主的徑向與軸向聯合載荷。與角接觸球軸承相比、承載能力大,極限轉速低。圓錐滾子軸承能夠承受一個方向的軸向載荷,能夠限制軸或外殼一個方向的軸向位移。