歡迎訪問斯凱恩傳動科技(上海)有限公司網站 !
所屬欄目:NSK軸承
聯系郵箱:[email protected]
聯系地址:上海市奉賢區金大公路8218號1幢
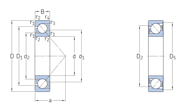
產品介紹:角接觸球軸承主要承受較大單向軸向負荷,接觸角度越大,承受負荷能力越大。保持架材料有鋼板、黃銅或工程塑膠,成型方式有沖壓或車削,視軸承形式或使用條件不同而選用。其它尚有組合角接觸球軸承、雙列角接觸球軸承及四點接觸球軸承。...
咨詢電話:15900864567

角接觸球軸承主要承受較大單向軸向負荷,接觸角度越大,承受負荷能力越大。保持架材料有鋼板、黃銅或工程塑膠,成型方式有沖壓或車削,視軸承形式或使用條件不同而選用。其它尚有組合角接觸球軸承、雙列角接觸球軸承及四點接觸球軸承。
角接觸球軸承可同時承受徑向負荷和軸向負荷。能在較高的轉速下工作。接觸角越大,軸向承載能力越高。高精度和高速軸承通常取15 度接觸角。在軸向力作用下,接觸角會增大。單列角接觸球軸承只能承受一個方向的軸向負荷,在承受徑向負荷時,將引起附加軸向力。 并且只能限制軸或外殼在一個方向的軸向位移。若是成對雙聯安裝,使一對軸承的外圈相對,即寬端面對寬端面,窄端面對窄端面。這樣即可避免引起附加軸向力,而且可在兩個方向使軸或外殼限制在軸向游隙范圍內。
角接觸球軸承因其內外圈的滾道可在水平軸線上有相對位移,所以可以同時承受徑向負荷和軸向負荷——聯合負荷(單列角接觸球軸承只能承受單方向軸向負荷,因此一般都常采用成對安裝)。 保持架的材質有黃銅、合成樹脂等,依軸承形式、使用條件而區分。