歡迎訪問斯凱恩傳動科技(上海)有限公司網站 !
所屬欄目:NACHI軸承
聯系郵箱:[email protected]
聯系地址:上海市奉賢區金大公路8218號1幢
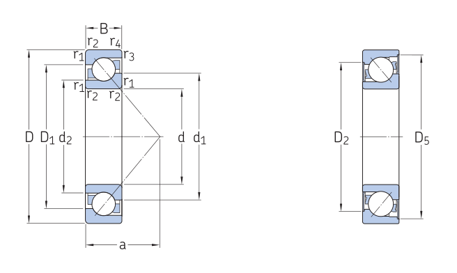
產品介紹:NACHI角接觸球軸承可同時承受徑向負荷和軸向負荷,轉速較高,接觸角越大,軸向承載能力越高。 單列軸承只能承受一個方向的軸向負荷,在承受徑向負荷時,將引起附加軸向力。并且只能限制軸或外殼在一個方向的軸向位移。 ...
咨詢電話:15900864567

NACHI角接觸球軸承可同時承受徑向負荷和軸向負荷,轉速較高,接觸角越大,軸向承載能力越高。
單列軸承只能承受一個方向的軸向負荷,在承受徑向負荷時,將引起附加軸向力。并且只能限制軸或外殼在一個方向的軸向位移。
NACHI角接觸軸承若是成對雙聯安裝,使一對軸承的外圈相對,即寬端面對寬端面,窄端面對窄端面。這樣即可避免引起附加軸向力,而且可在兩個方向使軸或外殼限制在軸向游隙范圍內。
其次名義接觸角有15°、25°、40°三種,NACHI接觸角越大軸向承載能力越高。高精度和高速軸承通常取15°接觸角,在軸向力作用下,接觸角會增大,目前,角接觸球軸承的變型結構多達70多種。
一般為內圈或外圈帶鎖口,內、外圈不可分離。外圈加熱膨脹后與內圈、滾動體、保持架組件裝配。裝球數比深溝球軸承多,額定負荷在球軸承中大,剛性強,運轉平穩。可以利用內、外圈相互位移調整徑向游隙。常成對使用,并施加預負荷,以提高NACHI軸承剛性。